当前位置:首页 文章详情 申报通知 | 工业和信息化部办公厅关于做好第五批产业技术基础公共服务平台申报工作的通知
申报通知 | 工业和信息化部办公厅关于做好第五批产业技术基础公共服务平台申报工作的通知

工业和信息化部办公厅关于做好第五批产业技术基础公共服务平台申报工作的通知

工信厅科函﹝2022﹞240号


各省、自治区、直辖市及计划单列市、新疆生产建设兵团工业和信息化主管部门,有关中央企业,有关全国性行业协会(联合会):

为贯彻落实《中华人民共和国国民经济和社会发展第十四个五年规划和2035年远景目标纲要》,建设产业技术基础公共服务平台,完善产业技术基础体系,根据《产业技术基础公共服务平台建设管理暂行办法》(工信部科〔2015〕458号)要求,现开展第五批产业技术基础公共服务平台申报工作。有关事项通知如下:

一、本次择优遴选的产业技术基础公共服务平台分试验检测、信息服务、创新成果产业化三类。

二、请各单位做好推荐工作。所推荐平台应主要提供标准、计量、认证认可、检验检测、试验验证、产业信息、知识产权、成果转化等产业技术基础服务,主要服务领域应属于核心基础零部件、元器件、关键软件、先进基础工艺、关键基础材料、产业技术基础等短板领域,或我部重点支持的产业链。

三、各单位三类平台推荐总数不超过9个,其中计划单列市推荐总数不超过5个。鼓励已承担我部产业技术基础公共服务平台能力建设项目的单位申报(其牵头单位不占推荐名额)。部属单位可直接向部(科技司)申报。

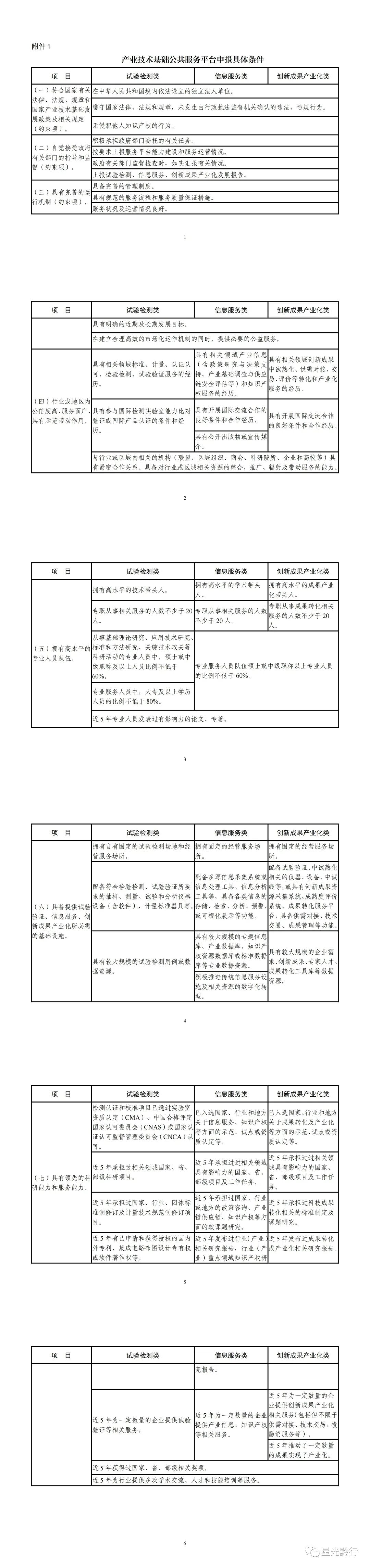
四、申报条件和申报材料相关要求详见附件。

五、请于2022年10月31日前将推荐函(含推荐汇总表)和申报书(含证明材料)纸质版一式2份和电子版光盘1份寄送至:北京市海淀区万寿路27号8号楼11层,100846,张翠,010-68207742。

部科技司联系人及电话:高鹏飞010-68205243

附件:

1.产业技术基础公共服务平台申报具体条件.pdf


3.产业技术基础公共服务平台推荐汇总表.et


2.产业技术基础公共服务平台申报书.doc(点击文章末尾“阅读原文”下载附件)


4.有关全国性行业协会(联合会)名单 .pdf

工业和信息化部办公厅

2022年9月22日


点“阅读原文”下载附件


上一篇:展贵州风采,贵州组团参加第十七届中国国际中小企业博览会
下一篇:工业互联网一体化进园区“百城千园行”活动启动(附图解)